充电器芯片阿里巴巴店铺 开关电源芯片关注向日葵视频下载安卓网站进入下载官网 向日葵视频官方网站下载收藏向日葵视频下载安卓网站进入下载官网 欢迎进入电源芯片/驱动芯片、MOS、IGBT、二三极管、桥堆等电子元器件代理商--向日葵视频下载安卓网站进入下载官网电子官网
高级搜索

搜索一

搜索二

充电管理IC方案
当前位置: 电源ic > 方案案例 > 充电器/适配器方案 > CR6212_5V/12V高效率、低成本电源方案,完美替换OB257X

CR6212_5V/12V高效率、低成本电源方案,完美替换OB257X

字号:T|T
文章出处:向日葵视频下载安卓网站进入下载官网电子责任编辑:向日葵视频下载官网成人人气:-发表时间:2024-03-07
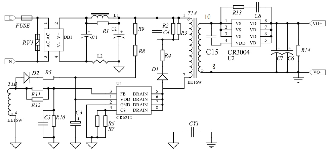
  CR6212BS+CR3004SLD_12V1.5A电源适配器方案,是基于一个能适用于宽输入电压范围,输出功率 18W,恒压恒流输出的电源适配器,采用了CR6212BSJ 功率开关和 CR3004SLD 同步整流芯片。
  
  一、方案概述  
  1、样机PCBA尺寸:67*35*23mm,是一款全电压实现12V1.5A输出的电源适配器。  
  2、AC90V满足启动时间的条件下,实现AC264V样机待机功耗仅为71mW;同时效率能够满足最严格的 “COC_V5_T2” 能效标准;  
  3、全电压可实现±5%的CC/CV输出精度。  
  4、整机(含套件外壳)可满足40℃环境温度满载温升测试要求。  
  5、具良好的恒流输出效果;同时具有“软启动、OCP、SCP、OVP、OTP自动恢复”等多种保护功能。
  
  二、芯片特性  
  CR6212BSJ 芯片特性:  
  ● CR6212BSJ 内置 650V 高压功率 MOSFET,反激式原边检测,CC\CV原边检测 PWM 功率开关;  
  ● SOP8 封装,一侧引脚(5-8)全为内置 MOS 漏极,方便散热设计;  
  ● 内置软启动,减小 MOSFET 的应力,内置斜坡补偿电路;  
  ● 低功耗、高能效频率反走 QR 模式控制;  
  ● 具有良好的 EMI 特性,可编程输入欠压或过压保护;  
  ● 具有“软启动、OCP、SCP、OTP、OVP、引脚悬空”等多种保护;  
  ● 原边反馈,无需光耦和 TL431,内置电感量偏差补偿功能;  
  ● 电路结构简单、较少的外围元器件,适用于小功率 AC/DC 电源适配器、充电器。
  
  CR3004SLD 芯片特性:  
  ● 自供电 DCM 同步整流开关、SOP8 封装、内置 60V 耐压功率开关管、精简的外围电路、较低的工作电流和较高的系统效率满足高能效要求。
  
  三、PCB及DEMO实物图
  
  四、典型电路图
  
  五、整机参数
  
  CR6212BSJ_12V1.5A电源适配器方案待机功耗(230V)<63mW,平均效率>86%;电路结构简单、较少的外围元器件,适用于小功率 AC/DC 电源适配器、充电器,可兼容代换OB2570、OB2571、OB2576、OB2578等IC,更多CR6212B系列12V1A/12V1.5A/5V3.4A原边检测开关电源芯片产品手册、样品及参考应用资料请向启臣微代理向日葵视频下载安卓网站进入下载官网电子申请。>>
产品中心 关于向日葵视频下载安卓网站进入下载官网 联系向日葵视频下载安卓网站进入下载官网
网站地图