过认证、低成本 | 65W-PD-2C1A氮化镓设计方案!
字号:T|T
65W-PD-2C1A 氮化镓方案由主控芯片PN8783、同步整流芯片PN8307P、DC-DC降压芯片 NDP1460PQB和PD协议芯片XPD737+XPD767套片组合,实现三口输出,并支持功率自动分配,整套方案具有成本低,性能稳定,产品体积小,可满足客户认证要求。
一、2C1A氮化镓方案特性
1:USB-C1口单独使用 65W
输出规格: 5V3A 9V3A 12V3A 15V3A 20V3.25A:
2:USB-C2口单独使用 65W
输出规格: 5V3A 9V3A 12V3A 15V3A 20V3.25A
3:USB- A口单独使用 18W
输出规格: 5V3A 9V2A 12V1.5A
4:USB-C1+ USB-C2同时使用(45W+20W)
C1输出规格: 5V3A 9V3A 12V3A 15V3A 20V2.25A 45WMAX
C2输出规格: 5V3A 9V2.22A 12V1.67A 20WMAX
5:USB-C1+ USB-A同时使用(45W+18W)
C1输出规格: 5V3A 9V3A 12V3A 15V3A 20V2.25A 45WMAX
USB-A输出规格: 5V3A 9V2A 12V1.5A 18WMAX
6:USB-C2+ USB-A同时使用
共享:5V3A MAX
7:USBC1+USB-C2+ USB-A同时使用
C1输出规格: 5V3A 9V3A 12V3A 15V3A 20V2.25A MAX
C2+ USB-A共享:5V3A MAX
二、芯片概述
主控芯片PN8783:PN8783系列采用SOP10/PP封装,内置高性能700V GaN FET,具有卓越的环路稳定性、高功率密度、低待机功耗等明显优势,同时在封装底部大面积敷铜散热,可以显著降低芯片温升。

同步整流芯片PN8307P:PN8307P内置100V/7mΩ智能MOSFET,快速关断+自适应死区控制提高MOSFET Rdson利用率,显著降低温升,专利轻载模式可降低待机功耗,具有超高性价比。

DC-DC降压芯片 NDP1460:NDP1460PQB是一款集成MOS管的高效同步降压DC/DC转换器。其内部采用抖频、平均电流模式控制结构。能够连续提供高达7A的输出电流,具有出色的线性和负载调节能力。NDP1460PQB的输入电压范围从7.5V至30V,输出电压可调,范围从3.3V至29V。

PD协议芯片XPD737:XPD737内部集成 10mΩ VBUS 通路管,并且集成10mΩ电流检测电阻,支持完善的保护功能,降低外围元件数量,简化电路,降低成本。采用ESOP8封装。

PD协议芯片XPD767:XPD767集成了协议控制和VBUS开关以及复杂的控制逻辑,一颗芯片完成1A1C控制,通过XPD-LINK互联技术,两颗芯片即可组成2A1C的快充解决方案,并且无需添加复杂的外围电路。

三、DEMO实物图

美规折叠头,实物尺寸:56.64*53.13*28.91
四、输出特性

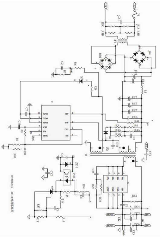
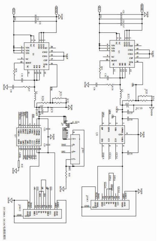
五、电路原理图
电路原理图(AC-DC 部分)

电路原理图(DC-DC 部分)

六、部分BOM清单

65W-PD-2C1A氮化镓方案,115Vac/60Hz-230Vac/50Hz待机功耗<75mW,平均效率>93.4%,因集成度高、性能卓越、方案成本优势明显,获得了众多厂家争相采用,更多方案规格、线路图纸、变压器设计、测试数据及应用要点请向向日葵视频下载安卓网站进入下载官网电子申请。》
上一篇:CR6212_5V/12V高效率、低成本电源方案,完美替换OB257X 下一篇:没有了
同类文章排行
- 7个大幅精简外围的ac-dc向日葵视频下载官网成人方案
- 德普微DP2525B原边反馈电源芯片恒压恒流5W
- CR5218SC_5V1A适配器方案
- 5v开关电源芯片PN8370M+PN8306M 5V2A六级能
- CR1252+CR3012_12V20A开关电源方案
- 基于PN8390+PN8308M高性能12V2A适配器电源
- PN8000无电感负压输出AC-DC非隔离超精简方
- PN8370_2.4A手机充电器电源芯片方案
- 12V3.0A同步整流六级能效电源适配器应用方
- CR6249_12V1.5A电源适配器方案
阿里巴巴店铺
关注向日葵视频下载安卓网站进入下载官网
收藏向日葵视频下载安卓网站进入下载官网

