PN8370_2.4A手机充电器电源芯片方案
字号:T|T
PN8370产品描述:
PN8370集成超低待机功耗准谐振原边控制器及650V高雪崩能力智能功率MOSFET,用于高性能、外围元器件精简的充电器、适配器和内置电源。PN8370为原边反馈工作模式,可省略光耦和TL431。内置高压启动电路,可实现芯片空载损耗(230VAC)
PN8370集成超低待机功耗准谐振原边控制器及650V高雪崩能力智能功率MOSFET,用于高性能、外围元器件精简的充电器、适配器和内置电源。PN8370为原边反馈工作模式,可省略光耦和TL431。内置高压启动电路,可实现芯片空载损耗(230VAC)
小于30mW。在恒压模式,采用准谐振与多模式技术提高效率并消除音频噪声,使得系统满足6级能效标准,可调输出线补偿功能能使系统获得较好的负载调整率;在恒流模式,输出电流和功率可通过CS脚的RCS电阻进行调节。该芯片提供了极为全面的智能保护功能,包含逐周期过流保护、过压保护、开环保护、过温保护、输出短路保护和CS开/短路保护等。

PN8370产品特点:
内置650V高雪崩能力智能功率MOSFET
内置高压启动电路,小于30mW空载损耗(230VAC)
采用准谐振与多模式技术提高效率,满足6级能效标准
全电压输入范围±5%的CC/CV精度封装/订购信息
原边反馈可省光耦和TL431
恒压、恒流、输出线补偿外部可调
无需额外补偿电容
无音频噪声
智能保护功能
过温保护 (OTP)
VDD欠压&过压保护 (UVLO&OVP)
逐周期过流保护 (OCP)
CS开/短路保护 (CS O/SP)
开环保护 (OLP)
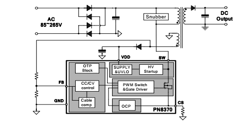
典型应用图

1. 高压启动控制:在启动阶段,PN8370充电器电源芯片采用高压启动技术,芯片启动前0.5mA电流源为内部偏置电路供电并给外部VDD电容充电,快速启动。当VDD电压达到15V,芯片开始工作的同时高压启动电路关断;只要VDD电压不低于8V,芯片维持正常工作。启动后,偏置电路通过辅助源供电,同时启动电路只有一路极小的电流,实现低损耗。
2.CC工作模式:在CC工作状态,PN8370手机充电器电源芯片采样FB引脚的信号(由辅助绕组信号通过电阻分压),辅助绕组信号脉宽决定振荡频率。输出电压越高,脉宽越小,同时振荡频率越高,这样可获得恒定的输出电流。
3.CV工作模式:在CV工作状态,PN8370充电器电源芯片采样FB引脚的信号(由辅助绕组信号通过电阻分压)PN8370在0.5倍的Tdemag处采样Vsense电压,并保持到下个采样点。将采样的电压和2.5V基准比较,并放大误差。这个误差值代表负载情况,通过控制开关信号,调节输出电压,使得输出恒定,在重载条件,芯片工作在PFM_QR模式,Ipeak不变,工作频率随输出电流减小而减小;当频率减小到25kHz左右,芯片进入PWM_QR模式,频率调制变得非常缓慢,Ipeak随输出电流减小而减小,该模式可以避免音频噪音,同时有利于提升25%带载效率;当芯片Ipeak调制到170mV,芯片进入空载模式(Standby模式),Ipeak不变,工作频率随输出电流减小而减小,
4.电流检测和前沿消隐:PN8370手机充电器电源芯片提供逐周期电流检测功能。芯片通过CS引脚的电阻检测功率管电流,CC模式设置点和最大输出功率都通过外部调整CS引脚上的电阻实现。功率管开通瞬间会产生尖峰电压,内部前沿消隐电路可防止误触发而不需要额外的RC滤波电路。
5.可编程线缆补偿功能:线缆补偿模块通过FB引脚输出一路补偿电流,流入分压电阻,改变电压反馈值,可以使输出线损压降得到补偿。当负载从满载减小到空载时,线损压降也同样减小。PN8370充电器控制IC通过设置FB电阻的阻值可以调整线补偿的幅度。
6.PN8370的VREF_CV电压基准采用负温度补偿技术:常温下,VREF_CV电压基准为2.5V;芯片温度上升时,VREF_CV电压基准值随着温度上升而变小,可以使△V随着温度上升而变小得到补偿,让输出电压Vo在全温度范围内恒定,提高了恒压输出精度。
7.准谐振模式:PN8370充电器电源芯片包含一个独特的准谐振开关电路。在CV工作状态下,这个电路检测每一个谐振周期的谷底位置,让芯片每个开关周期都在谷底导通。这个独特的电路可以减少系统的开关损耗。同时,准谐振模式可以让芯片的开关频率在不同的开关周期之间轻微的变化,提高EMI的裕量。
8.保护控制:PN8370充电器控制IC含有丰富的保护功能,包括:逐周期过流保护、过压保护、过温保护、开环保护、输出短路保护、CS电阻开/短路保护、VDD欠压锁定保护功能,并且这些保护具有自恢复模式。
PN8370广泛应用于:
开关电源适配器
电池充电器
机顶盒电源
同类文章排行
- 7个大幅精简外围的ac-dc向日葵视频下载官网成人方案
- 德普微DP2525B原边反馈电源芯片恒压恒流5W
- CR5218SC_5V1A适配器方案
- 5v开关电源芯片PN8370M+PN8306M 5V2A六级能
- CR1252+CR3012_12V20A开关电源方案
- 基于PN8390+PN8308M高性能12V2A适配器电源
- PN8000无电感负压输出AC-DC非隔离超精简方
- PN8370_2.4A手机充电器电源芯片方案
- 12V3.0A同步整流六级能效电源适配器应用方
- CR6249_12V1.5A电源适配器方案
阿里巴巴店铺
关注向日葵视频下载安卓网站进入下载官网
收藏向日葵视频下载安卓网站进入下载官网

