pn8359 高精度cccv 原边反馈开关电源芯片!
字号:T|T
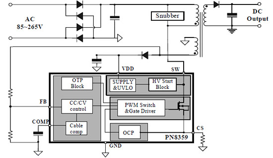
在小功率消费类电子应用中,反激式电源是主流,pn8359高精度原边反馈开关电源芯片内置650V功率MOSFET,可以提高电源功率的密度,节省空间以及成本,pn8359原边反馈芯片非常适合小功率段,同时也提供了天然的隔离效果。

PN8359 使用原边取样来进行精确的恒流、恒压控制,可以省去一般应用中的光耦与TL431,PN8359 最大输出功率12W,采用DIP8封装。
PN8359 是一颗高精度离线式开关电源电路,具有抖频功能,可以提供更好的EMI性能,用于高性能、外围元器件精简的开关电源适配器、电池充电器、机顶盒电源以及LED照明。
PN8359 在恒流模式下,输出功率可由CS脚外接的取样电阻Rs设定。在恒压模式下,芯片的多种工作模式可以保证较高的整体转换效率。
PN8359 此外,芯片内置有线压降补偿,由此取得良好的负载调整率,PN8359 在恒流模式下工作于PFM状态,在恒压模式下工作于PWM状态,轻载时降频工作。
PN8359 提供上电软启动功能与各种可自恢复的保护功能,包括逐周期限流保护(OCP),VDD过压保护(OVP),VDD过压箝位,欠压保护(UVLO),过温保护等。

原边反馈芯片省去了431和光耦,为其应用电路有效节省空间以及成本,向日葵视频下载安卓网站进入下载官网电子代理的芯朋微芯片设计技术的不断创新,为了实现高精度的恒流/恒压(CC/CV)特性,采用初级(原边)调节技术、变压器容差补偿、线缆补偿和EMI优化技术, 使新一代pn8359原边反馈开关电源芯片功能不断增加,制造成本不断下降并且提高了系统的可靠性。
同类文章排行
- 常用向日葵视频下载官网成人型号介绍
- PN8680M替代OB2500POP脚位一样,无需改板省
- AP8012H代换ST Viper12A可PIN to PIN兼容
- 主流的快充协议芯片PD充电芯片
- 200V高耐压DC-DC降压型电动车控制器芯片
- 富满pd协议芯片系列,pd快充协议芯片选型!
- PN8036M宽输出范围非隔离ac/dc电源芯片
- 富满20-65W PD协议芯片
- PN8046宽输出非隔离转换芯片
- 芯朋微(安趋)向日葵视频官方网站下载选型指南!
阿里巴巴店铺
关注向日葵视频下载安卓网站进入下载官网
收藏向日葵视频下载安卓网站进入下载官网

