全部产品分类
集成电路IC
场效应管/MOS/IGBT
向日葵视频色版下载软件安装
- 整流向日葵视频色版下载软件安装
- 开关向日葵视频色版下载软件安装
- TVS向日葵视频色版下载软件安装
- 肖特基向日葵视频色版下载软件安装
- 快速恢复向日葵视频色版下载软件安装
- 整流桥向日葵视频色版下载软件安装
三极管
推荐产品
联系向日葵视频下载安卓网站进入下载官网
深圳市向日葵视频下载安卓网站进入下载官网电子科技有限公司
电话:0755-23087599
手机:13808858392
邮箱:dunianhua@leweitech.com
地址:深圳市宝安区西乡鹤洲恒丰工业城B11栋5楼东
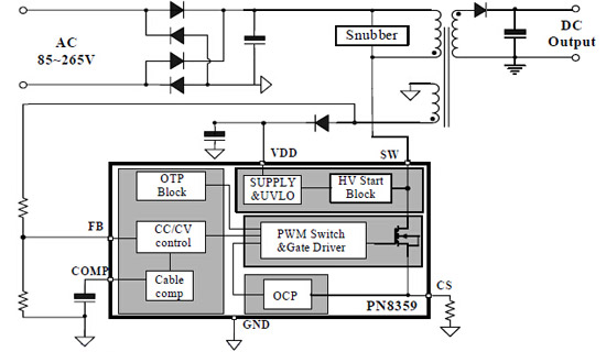
PN8359 原边反馈芯片
所属分类:Chipown/芯朋微
品牌:芯朋微
型号:PN8359
封装:dip-8
功率:15W-20W
电流:85~265 VAC
型号:PN8359
封装:dip-8
功率:15W-20W
电流:85~265 VAC
订购热线:0755-23087599
PN8359概述:
PN8359包括高精度的恒压、恒流原边控制器及功率MOSFET,用于高性能、外围元器件精简的充电器和LED照明。
PN8359工作在原边检测和调整模式,可省略光耦和TL431。该芯片提供了极为全面的自恢复保护功能,包含逐周期过流保护、过压保护、开环保护、过温保护、输出短路保护和CS开/短路保护等。
PN8359内置高压启动电路和极低的芯片功耗使得能够满足较高的待机功耗标准。在恒流模式,电流和输出功率可通过CS脚的Rs电阻进行调节;在恒压模式,PFM工作模式可获得较高的性能和效率。轻载时,该芯片采用较小的峰值电流工作以减小音频噪声。另外,输出线补偿功能有助于获得较好的负载调整率。
PN8359产品特征:
■ 内置650V功率MOSFET
■ 全电压输入范围±5%的电流/电压调整率
■ 可省光耦和TL431
■ 恒压和恒流可调
■ 输出线补偿功能
■ 内置原边电感量补偿电路
■ 无音频噪声
■ 内置高压启动电路
■ 优异全面的保护功能
过温保护 (OTP)
VDD欠压锁定 (UVLO)
CS开/短路保护
开环保护 (OLP)
VDD过压保护 (OVP)
安全自动恢复模式
PN8359封装/订购信息:

pn8359引脚功能及电压:
| 管脚标号 | 管脚名 | 管脚功能描述 |
| 1 | VDD | 工作电压输入引脚 |
| 2 | COMP | 环路补偿引脚 |
| 3 | FB | 反馈引脚,辅助绕组电压通过电阻反馈稳定输出 |
| 4 | CS | 电流检测引脚 |
| 5 | SW | 高压MOSFET引脚,跟变压器初级相连 |
| 6 | ||
| 7 | GND | 地电位 |
| 8 |
PN8359极限工作范围:
VDD 脚耐压……...…………………………………………………………………………….….-0.3~25V
SW 脚耐压……………………………………………………………………………………….…650V
FB,COMP 脚耐压…………………………………………………………………………..……-0.3~5.5V
结工作温度范围……………………………………………………………………………………-40~140℃
存储温度范围………………………………………………………………………………………-55~150℃
管脚焊接温度 (10秒) ………………………………………………………………………………260℃
ESD 能力(HBM) ……………………………………………………………………………………..2.0kV
最大漏极脉冲电流……………………………………………………………………………………2.0A
PN8359应用电路图:

阿里巴巴店铺
关注向日葵视频下载安卓网站进入下载官网
收藏向日葵视频下载安卓网站进入下载官网









