超精简10W无线充电芯片方案
字号:T|T
无线充电芯片厂商Chipown根据十多年高低压功率集成经验,采用家电及工业应用的经典技术架构,将低压信号处理与高压功率处理彻底分离,自主研发的无线充电功率芯片PN7724(10W)、PN7726(20W),内置驱动电路、4颗功率开关管和LDO,使无线充电方案外围精简、温升低、安全可靠,下面跟随向日葵视频下载安卓网站进入下载官网电子一起了解下超精简10W无线充电芯片方案。

PN7724无线充电芯片搭配一颗通用MCU即可实现10W无线充电功率发射,具有如下特点:
高集成度:将全桥4颗功率开关管、驱动电路、LDO集成于一颗单芯片上,实现功率模块全集成!
高转换效率:受益于单芯片功率集成技术,显著减小寄生参数,降低关断损耗;受益于自适应死驱调节技术,谐振电流更多时间流过MOS沟道,减小导通损耗!
SOP8-PP功率封装:仅8个引脚,应用简单;功率封装底部散热片可大面积敷铜散热,显著降低芯片及PTx温升!
安全可靠:与分立MOS方案不同,不论MCU输出信号是否异常,PN7724内部高低侧MOS只有一个管子处于导通状态,彻底避免直通炸机!
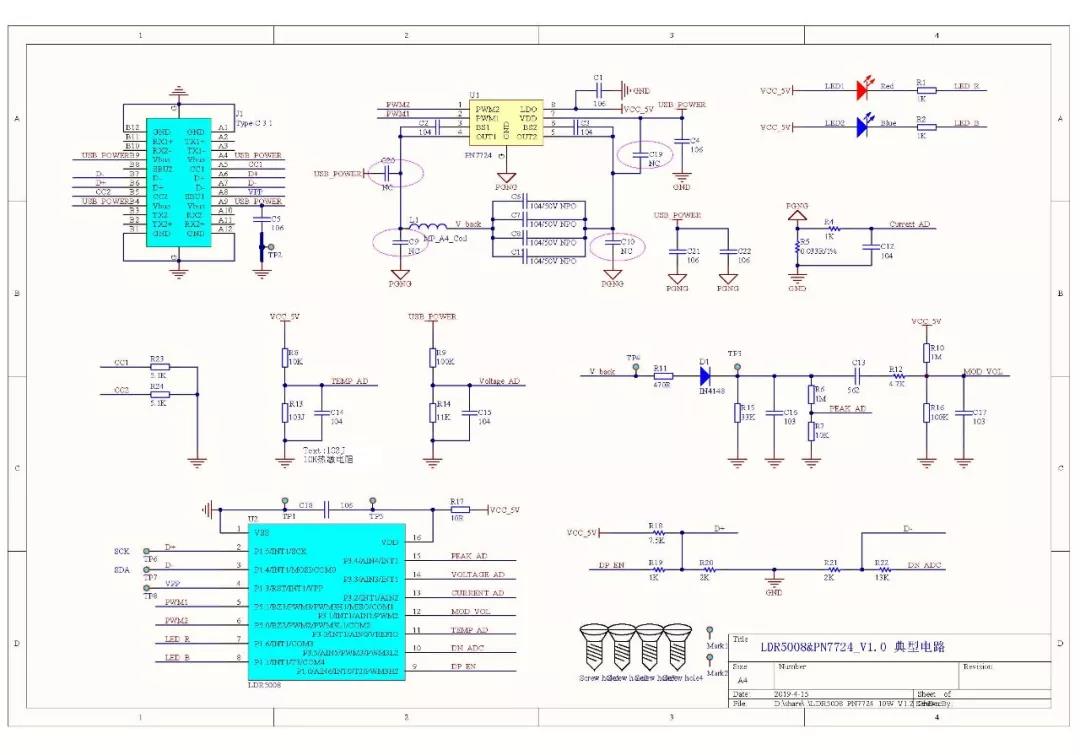
无线充电芯片方案原理图:

PN7724无线充电芯片方案实现高压功率处理部分最精简外围;LDR5008 SOP16封装支持QC及Qi协议,集成数字解码电路,先进功率控制技术(调频、调占空比)实现信号处理最精简外围 支持3-9V输入,典型应用5W/7.5W/10W无线充电方案,PN7724无线充电芯片方案整体BOM小于50颗元器件。
上一篇:二口旅行充电器IC方案 下一篇:AC-DC开关向日葵视频下载官网成人方案
同类文章排行
- 超精简10W无线充电芯片方案
- AC-DC开关向日葵视频下载官网成人方案
- 12v电源适配器芯片方案
- USB A+C 5V/2.4A壁式充电器方案
- 四口档板充电器电源芯片方案
- 二口旅行充电器IC方案
- 20W Gan充电器方案
- 2USB+2 Type C+2插座充电方案
- 三口旅充IC方案
- 2C+1A 65W GaN充电器/适配器方案
阿里巴巴店铺
关注向日葵视频下载安卓网站进入下载官网
收藏向日葵视频下载安卓网站进入下载官网

