几种常见的led驱动芯片电源方案以及注意事项!
字号:T|T
接触过LED的人都知道由于LED正向伏安特性非常陡,要给LED正常供电就比较困难。不能像普通白炽灯一样,直接用电压源供电,否则电压波动稍增,电流就会增大到将LED烧毁的程度。为了稳定LED的工作电流,保证LED能正常可靠地工作,具有”镇流功能”的各种各样的LED驱动电路就应运而生,最简单的是串联一只镇流电阻,而比较复杂的是用许多电子元件构成的“恒流驱动器”。
下面向日葵视频下载安卓网站进入下载官网来看下生活中几种常见的led驱动芯片电源方案:
(一 ) 镇流电阻方案
这是一种极其简单,自LED面世以来至今还一直在用的经典电路。
LED工作电流I按下式计算:


I与镇流电阻R成反比;当电源电压U上升时,R能限制I的过量增长,使I不超出LED的允许范围。
此电路的优点是简单,成本低;缺点是电流稳定度不高;电阻发热消耗功率,导致用电效率低,仅适用于小功率LED范围。
一般资料提供的镇流电阻R的计算公式是:


按此公式计算出的R值仅满足了一个条件:工作电流I 。而对驱动电路另两个重要的性能指标:电流稳定度和用电效率,则全然没有顾及。因此用它设计出的电路,性能没有保证。
(二)镇流电容方案
电路的工作是基于在交流电路中,电容存在容抗XC也有”镇流作用”的原理。另外电容消耗无功功率,不发热;而电阻则消耗有功功率,会转化为热能耗散掉,所以镇流电容比镇流电阻,能节省一部分电能,并能设计成将LED灯直接接到市电~220V上,使用更为方便。
此方案的优点是简单,成本低,供电方便;缺点是电流稳定度不高,效率也不高。仅适用于小功率LED范围。当LED的数量较多,串联后LED支路电压较高的场合更为适用。


(三)线性恒流驱动电路
上面已经提到电阻、电容镇流电路的缺点是电流稳定度低(△I/I达±20~50%),用电效率也低(约50~70%),仅适用于小功率LED灯。
为满足中、大功率LED灯的供电需要,利用电子技术常见的电流负反馈原理,设计出恒流驱动电路。和直流恒压电源一样,按其调整管是工作在线性,还是开关状态,恒流驱动电路也分成两类:线性恒流驱动电路和开关恒流驱动电路。
(四)开关电源驱动电路
上述线性恒流驱动电路虽具有电路简单、元件少、成本低、恒流精度高、工作可靠等优点,但使用中也发现几点不足:
a、调整管工作在线性状态,工作时功耗高发热大(特别是工作压差过大时),不仅要求较大尺寸的散热器,而且降低了用电效率。
b、电源电压要求按公式(13)与LED工作电压严格匹配,不允许大范围改变。也就是说它对电源电压及LED负载变化的适应性差。
c、它仅能工作在降压状态,不能工作在升压状态。即电源电压必须高于LED工作电压。
d、供电不太方便,一般要配开关稳压电源,不能直接用~220V供电。
输入整流:将正负变化的交流电变成单向变化的直流电
滤波:将变化的电压波形平滑成波动较小的直流电压波形
变压器:储存能量,产生需要的输出电压.原、副边隔离。
输出稳压:稳定输出电压
取样反馈:将输出电压的变化反映到控制电路,以便采取相应的措施保证输出电压在规定的范围内
PWM+开关:控制电路,根据反馈回来的信号控制变压器储存能量的多少,从而保证输出的稳定
采用开关电源驱动的优点:效率高,一般可以做到80%~90%,输出电压、电流稳定。输出纹波小。且这种电路都有完善的保护措施,属高可靠性电源。
LED驱动电源使用中应注意的问题:
A. LED降额使用。
B. 使用线性恒流驱动器,特别注意其工作压差。
C. 隔离式开关恒流驱动器次级输出电源不宜悬空,负极应接地。
D.对开关恒流驱动器,要严格遵守:先接好LED灯,再接通驱动器电源的操作顺序。
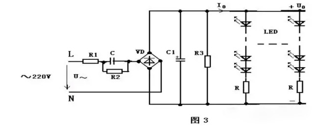
一般来说LED均采用直流驱动,因此在市电与LED之间需要加一个电源适配器即LED驱动电源,它的功能是把交流市电转换成适合LED的直流电,通常驱动LED采用专用恒流源或者驱动芯片,容易受体积和成本等因素的限制,最经济实用的方法就是采用电容降压式电源。
用它驱动小功率LED,具有不怕负载短路、电路简单等优点,而且一个电路能驱动1~70个小功率LED,但是,这种电源电路启动时的电流冲击,尤其是频繁启动,会给LED造成破坏,当然采取适当的保护便可避免这种冲击。
同类文章排行
- ap8022代换viper22a可兼容,不改PCB及外围
- 电源芯片sdh8302s可PIN脚代换VIPER12A/AP80
- 什么是MOS管的雪崩及mos管雪崩击穿原理!
- 常用dc-dc降压芯片推荐
- 国产向日葵视频下载官网成人有哪些?
- IR4427替换芯片ID1127双低侧、大电流驱动,
- sdh8303代换viper22a/AP8012H,PIN脚兼容无
- PN555L内置690V小功率非隔离芯片可替PN8008
- 常用低压mos管型号及选型!
- 开关电源原边反馈(PSR)技术深度解析!
阿里巴巴店铺
关注向日葵视频下载安卓网站进入下载官网
收藏向日葵视频下载安卓网站进入下载官网

