全部产品分类
集成电路IC
场效应管/MOS/IGBT
向日葵视频色版下载软件安装
- 整流向日葵视频色版下载软件安装
- 开关向日葵视频色版下载软件安装
- TVS向日葵视频色版下载软件安装
- 肖特基向日葵视频色版下载软件安装
- 快速恢复向日葵视频色版下载软件安装
- 整流桥向日葵视频色版下载软件安装
三极管
推荐产品
联系向日葵视频下载安卓网站进入下载官网
深圳市向日葵视频下载安卓网站进入下载官网电子科技有限公司
电话:0755-23087599
手机:13808858392
邮箱:dunianhua@leweitech.com
地址:深圳市宝安区西乡鹤洲恒丰工业城B11栋5楼东
电源芯片SDH8322S是用于开关电源的内置高压MOSFET的电流模式PWM控制器,典型应用于195-265V,适配器10W,开放式13W;85-265V适配器5W,开放式8W,sdh8322s芯片内置高压启动电路,在轻载下会进入打隔模式,具有降频、软启动,还集成了VDD欠压保护、VDD过压保护、前沿消隐、偷出过载保护、过流保护、过温保护等各种异常状态的保护功能。
sdh8322s芯片特点
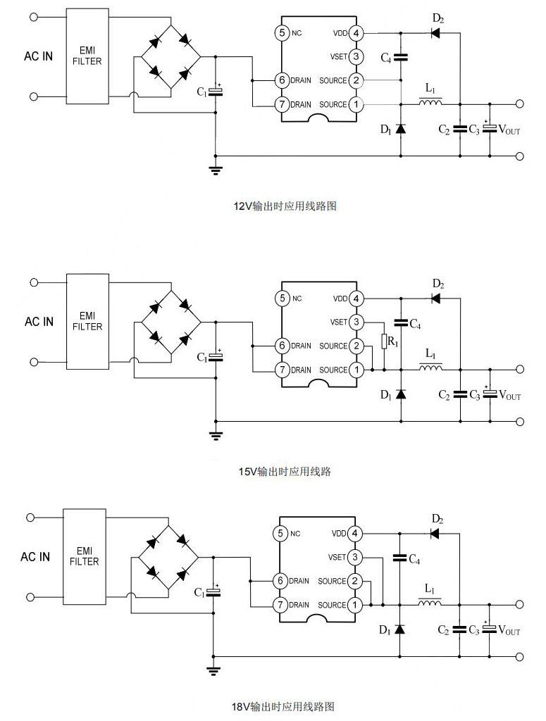
■ 12V15V18V输出电压三档可调
■ 高压启动
■ 轻截打隔
■ 降频
■ 软启动
■ VDD欠压保护
■ VDD过压保护
■ 前沿消隐
■ 输出过截保护
■ 过流保护
■ 过温保护
电源芯片SDH8322s管脚排列及引脚


sdh8322s应用电路

电源芯片SDH8322S应用领域
■ 离线式开关电源
■ 非隔离升压降压转换器
■ 小家电
SDH8322S内置高压启动电路。在轻截下会进入打隔模式,从而有效地降低系统的待机功耗。具有降频功能,进一步优化轻截条件下的转换效率。具有软启动功能,能够诚小器件的应力,防止变压器饱和SDH8322S芯片内部还集成了各种异常状态的保护功能,包括:VDD欠压保护,VDD过压保护,前沿消隐,输出过截保护,过流保护,过温保护等。触发保护后,电路会不断自动重启,直到系统正常为止,更多sdh8322s芯片参数及sdh8322s规格书请向士兰微代理向日葵视频下载安卓网站进入下载官网电子申请。>>
阿里巴巴店铺
关注向日葵视频下载安卓网站进入下载官网
收藏向日葵视频下载安卓网站进入下载官网










