全部产品分类
集成电路IC
场效应管/MOS/IGBT
向日葵视频色版下载软件安装
- 整流向日葵视频色版下载软件安装
- 开关向日葵视频色版下载软件安装
- TVS向日葵视频色版下载软件安装
- 肖特基向日葵视频色版下载软件安装
- 快速恢复向日葵视频色版下载软件安装
- 整流桥向日葵视频色版下载软件安装
三极管
推荐产品
联系向日葵视频下载安卓网站进入下载官网
深圳市向日葵视频下载安卓网站进入下载官网电子科技有限公司
电话:0755-23087599
手机:13808858392
邮箱:dunianhua@leweitech.com
地址:深圳市宝安区西乡鹤洲恒丰工业城B11栋5楼东
SDH8312 ac-dc非隔离芯片是用于开关电源的内置650V高压MOSFET的AC-DC控制器。
SDH8312内置高压启动以及自供电功能,可满足快速启动以及低待机功耗的要求。具有自适应降频功能,可进一步优化轻载条件下的转换效率。具有软启动功能,能够减小器件的应力,有效防止启动时电感饱和。SDH8312内部还集成了各种异常状态的保护功能,包括:VDD欠压保护,开环保护,输出过载保护,输出短路保护,过温保护等。触发保护后,电路会不断自动重启,直到系统正常工作为止。
SDH8312芯片主要特点
■ 输出电压可调
■ 高压启动
■ 自适应降频
■ 软启动
■ VDD欠压保护
■ FB开环保护
■ 前沿消隐
■ 输出过载保护
■ 短路保护
■ 过温保护
sdh8312引脚图及功能

| 管脚号 | 管脚名称 | I/O | 管脚描述 |
| 1,2 | SOURCE | G | 功率MOSFET源极和控制电路的参考地 |
| 3 | FB | I | 反馈脚,通过调整FB分压电阻设置不同的输出电压 |
| 4 | VDD | P | 控制电路电源 |
| 5,6,7,8 | DRAIN | O | 功率MOSFET漏极 |
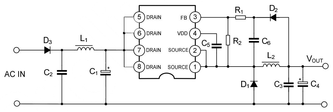
sdh8312应用电路图

应用领域
■ 小家电
■ 非隔离铺助电源
sdh8312芯片采用SOP-8封装,典型应用功率5V0.2A,广泛应用于小家电、非隔离辅助电源领域,更多杭州士兰微sdh8312 5V0.2A ac-dc非隔离芯片产品手册和sdh8312引脚图及sdh8312应用电路图等资料请向士兰微代理向日葵视频下载安卓网站进入下载官网电子申请。>>
阿里巴巴店铺
关注向日葵视频下载安卓网站进入下载官网
收藏向日葵视频下载安卓网站进入下载官网










