全部产品分类
集成电路IC
场效应管/MOS/IGBT
向日葵视频色版下载软件安装
- 整流向日葵视频色版下载软件安装
- 开关向日葵视频色版下载软件安装
- TVS向日葵视频色版下载软件安装
- 肖特基向日葵视频色版下载软件安装
- 快速恢复向日葵视频色版下载软件安装
- 整流桥向日葵视频色版下载软件安装
三极管
推荐产品
联系向日葵视频下载安卓网站进入下载官网
深圳市向日葵视频下载安卓网站进入下载官网电子科技有限公司
电话:0755-23087599
手机:13808858392
邮箱:dunianhua@leweitech.com
地址:深圳市宝安区西乡鹤洲恒丰工业城B11栋5楼东
SD4931电流控制器描述
SD4931是用于开关电源的内置100V高压MOSFET的电流模式PWM控制器。
SD4931电流控制器内置高压启动电路。在轻载下会进入打隔模式,从而有效地降低系统的待机功耗。具有降频功能,进一步优化轻载条件下的转换效率。具有软启动功能,能够减小器件的应力,防止变压器饱和。有VDD打隔功能,不仅防止VDD欠压重启,也有效地降低待机功耗。
SD4931电流控制器内部还集成了各种异常状态的保护功能,包括:VDD欠压保护,VDD过压保护,前沿消隐,输出短路保护,过流保护,过温保护等。触发保护后,电路会不断自动重启,直到系统正常为止。
SD4931管脚排列图

SD4931管脚描述
| 管脚号 | 管脚名称 | I/O | 管脚描述 |
| 1,2 | SOURCE | I/O | 功率MOSFET源极和控制电路的参考地 |
| 3 | FB | I | 反馈输入端 |
| 4 | VDD | I/O | 控制电路的供电电源 |
| 5,6,7,8 | DRAIN | I/O | 功率MOSFET漏极 |
SD4931电流控制器主要特点
·20V至100V输入电压
·12~15V输出电压
·1A输出电流
·高压启动
·轻载打啊
·降频
·软启动
·VDD打啊
·VDD欠压保护
·VDD过压保护
·前沿消隐
·输出短路保护
·过流保护
·过温保护
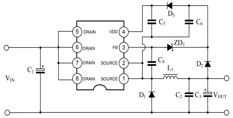
SD4931典型电路图

SD4931电流控制器应用领域
·平衡轮
·以太网供电
·电动自行车
·电动工具
更多SD4931 100VSD4931 100V电流控制器产品手册及相关资料,可咨询向日葵视频下载安卓网站进入下载官网电子。
阿里巴巴店铺
关注向日葵视频下载安卓网站进入下载官网
收藏向日葵视频下载安卓网站进入下载官网










