充电器芯片阿里巴巴店铺 开关电源芯片关注向日葵视频下载安卓网站进入下载官网 向日葵视频官方网站下载收藏向日葵视频下载安卓网站进入下载官网 欢迎进入电源芯片/驱动芯片、MOS、IGBT、二三极管、桥堆等电子元器件代理商--向日葵视频下载安卓网站进入下载官网电子官网
高级搜索

搜索一

搜索二

充电管理IC方案

推荐产品

联系向日葵视频下载安卓网站进入下载官网

开关电源芯片
深圳市向日葵视频下载安卓网站进入下载官网电子科技有限公司

电话:0755-23087599

手机:13808858392

邮箱:dunianhua@leweitech.com

地址:深圳市宝安区西乡鹤洲恒丰工业城B11栋5楼东

prevnext

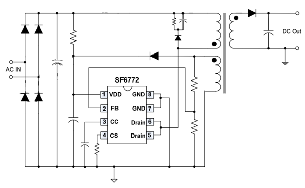
SF6772_充电器/适配器IC SF6772

所属分类:SF/赛威芯片
品牌:SF赛威
型号:SF6772
封装:SOP8
功率:6W
电流:
订购热线:0755-23087599
    SF6772产品特点:
    SF6772是准谐振(QR)模式的高精度原边反馈控制(PSR)恒压恒流(CV/CC)控制器。该系列驱动外部功率MOS管,非常适合低成本小功率充电器、适配器、和       LED照明场合。
    SF6772采用专利super-QR/PSRTM控制技术大大提升了PSR系统的效率,同时能够轻易满足六级能效的要求。该系列还采用专利的“多模式PSR”控制,可实现小于     ±5%的恒压恒流精度。 
    SF6772内部自动补偿输入电压、电感感量变化。在恒压模式下内置了专利的线电压补偿。该系列集成了诸多保护功能,比如:VDD欠压保护(UVLO),VDD过压       保护,软启动,逐周期过流保护,管脚浮空保护,VDD电压钳位保护等    
    SF6772提供小体积的SOP8封装 。
  
   SF6772产品特点:
   能够容易满足六级能效的要求 
   内置600V功率MOSFET 
   小于70mW的开启电压 
   集成了专利的“零电压带载启动”技术大大减小了系统OCP恢复间隙 
   集成了专利的“智能短路保护”技术 
   原边反馈(PSR)控制,无需光耦和TL431 
   专利的super-QR/PSRTM控制技术 
   ±5%的恒压恒流精度 
   内置专利的线损电压补偿 
   内置软启动,超低启动电流,管脚浮空保护 
   自动补偿输入电压、电感感量变化,实现高精度 
   输出过压保护  
   逐周期电流限制,内置前沿消隐  
   VDD欠压保护,过压保护及钳位

 典型应用图




 
产品中心 关于向日葵视频下载安卓网站进入下载官网 联系向日葵视频下载安卓网站进入下载官网
网站地图