全部产品分类
集成电路IC
场效应管/MOS/IGBT
向日葵视频色版下载软件安装
- 整流向日葵视频色版下载软件安装
- 开关向日葵视频色版下载软件安装
- TVS向日葵视频色版下载软件安装
- 肖特基向日葵视频色版下载软件安装
- 快速恢复向日葵视频色版下载软件安装
- 整流桥向日葵视频色版下载软件安装
三极管

推荐产品
联系向日葵视频下载安卓网站进入下载官网

深圳市向日葵视频下载安卓网站进入下载官网电子科技有限公司
电话:0755-23087599
手机:13808858392
邮箱:dunianhua@leweitech.com
地址:深圳市宝安区西乡鹤洲恒丰工业城B11栋5楼东
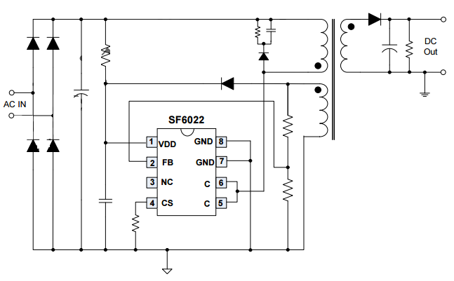
SF6022产品描述:
SF6022是一种精度高、高度集成DCM(不连续导电模式)主面监管(PSR)电源开关离线小功率转换器的应用程序。它有内置的电源是机器它可以进一步降低系统成本。
SF6022是一种精度高、高度集成DCM(不连续导电模式)主面监管(PSR)电源开关离线小功率转换器的应用程序。它有内置的电源是机器它可以进一步降低系统成本。
SF6022内置的专有NC-Cap简历控制/ PSR-IITM控制消除外部补偿和滤波电容器。它有内置电缆下降补偿函数它可以提供优秀的简历的性能。IC使用多模式控制来提高效率和可靠性并降低音频噪声能量@轻载荷。
SF6022专有的“音频降噪控制集成音频噪声自由操作。集成电路内置的“快速动态响应”控制来满足USB充电的需求。SF6022还集成了专有的“零输出启动”控制来实现近零电压启动时输出。IC的专有的“智能输出短的保护”它可以保护你的系统输出短路时大漏电感。
FB短保护SF6022集成功能和保护欠压锁定(UVLO)VDD过压保护(VDD OVP)软启动逐周期限流((OCP)针浮保护VDD夹紧。
SF6022 SOP8封装。
SF6022产品特点:
内置的700 v电源是机器
Propreietary“音频降噪”控制
Bulti-in“快速动态响应”控制来满足USB充电的需求
专有的“智能输出短保护”不需要外部补偿/过滤能力。
CC和简历精度±4%
专有的“零输出启动”控制
专有的“智能输出短保护”
没有外部补偿/滤波电容器
马克斯。50 v输出AC / DC LED照明
低成本是直接驱动
专用电缆下降补偿
11.7 v UVLO滞后窗口
典型应用图
yle="width: 647px; height: 401px;" />
典型应用图
