充电器芯片阿里巴巴店铺 开关电源芯片关注向日葵视频下载安卓网站进入下载官网 向日葵视频官方网站下载收藏向日葵视频下载安卓网站进入下载官网 欢迎进入电源芯片/驱动芯片、MOS、IGBT、二三极管、桥堆等电子元器件代理商--向日葵视频下载安卓网站进入下载官网电子官网
高级搜索

搜索一

搜索二

充电管理IC方案

推荐产品

联系向日葵视频下载安卓网站进入下载官网

开关电源芯片
深圳市向日葵视频下载安卓网站进入下载官网电子科技有限公司

电话:0755-23087599

手机:13808858392

邮箱:dunianhua@leweitech.com

地址:深圳市宝安区西乡鹤洲恒丰工业城B11栋5楼东

prevnext

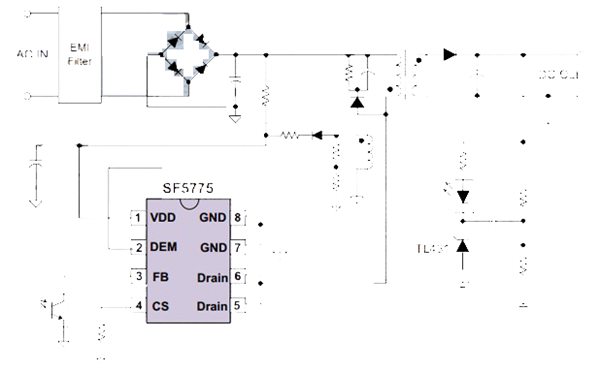
SF5775_AC/DC电源芯片 SF5775

所属分类:SF/赛威芯片
品牌:赛威
型号:SF5775
封装:SOP8
功率:6W
电流:
订购热线:0755-23087599
SF5775产品描述: 
SF5775是一款高性能,第二代准谐振( QR- | | TM) PWM控制器离线反激式电源转换器应用。内置专有的QR- | | TM技术与高水平的保护功能,提高了开关电源的可靠性和性能。
在SF5775 , “数码防抖”功能,可以自动选择并锁定一个山谷在给定的负载,从而可以实现音频无噪音运行。在另一方面, “数字频率抖动”功能,使系统具有优异的EMI性能比传统的QR系统。
SF5775是多模式控制器。当满负荷,该IC在CCM模式或QR模式的基础上AC线路输入的工作。当负载变低时,IC进入“数字频率折返”的模式,以提高功率转换效率。当输出功率是非常小的,IC进入到突发模式,可以实现小于100mW的空载功率。
SF5575集成了欠压锁定( UVLO ) , VCC过电压保护(OVP ) ,输出过电压保护(输出OVP )功能和保护,逐周期电流限制( OCP ) ,管脚浮保护,过负载保护( OLP ) ,软启动, VCC钳位,栅极钳位,在SF5775 ,保护功能自动恢复模式保护。
SF5775提供SOP8两种封装形式。
 
SF5775产品特点:
专有的QR - | | TM技术:数字抗抖动音频无噪音运行,数字频率折返,数字频率抖动更好的EMI
超过100mW的待机功耗减
高效率多模式操作
12.7us最大占空比。
80kHz的最大导通时间
52KHZ频率低钳位在QR模式
65%的最大占空比
CCM模式自适应斜坡补偿
内置600V功率MOSEFT
内置的同步斜坡补偿
恒定功率限制

典型应用图



 
 
产品中心 关于向日葵视频下载安卓网站进入下载官网 联系向日葵视频下载安卓网站进入下载官网
网站地图