推荐产品
联系向日葵视频下载安卓网站进入下载官网
深圳市向日葵视频下载安卓网站进入下载官网电子科技有限公司
电话:0755-23087599
传真:0755-23082933
邮箱:yishanbo@leweitech.com
地址:深圳市宝安区西乡鹤洲恒丰工业城B11栋5楼东
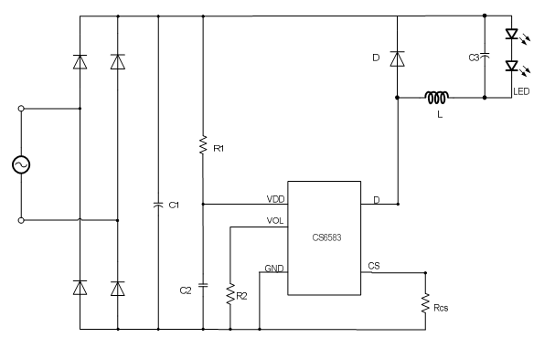
CS6583产品描述:
CS6583是一款单电感非隔离降压型LED恒流驱动电路,工作在电感电流临界连续模式下,适用于85Vac-265Vac全电压输入范围 ,电路的工作电流极低,只需要很少的外围元件,在较大的范围内,系统的输出电流与电感量无关,电路具有优异的线性调整率和负载调整率,降压系统成本。
CS6583产品特点:
单电感非隔离降压结构
超低工作电流
宽输入电压
内部集成500V高压功率MOSFET
±5%LED输出电流精度
LED开路\短路保护
CS短路保护
过温保护功能
封装形式:SOP8(CS6583BBO、CS6583BO、CS6583CBO、CS6583DBO)
DIP7(CS65L83BP)
典型应用图

典型应用图

阿里巴巴店铺
关注向日葵视频下载安卓网站进入下载官网
收藏向日葵视频下载安卓网站进入下载官网










