全部产品分类
集成电路IC
场效应管/MOS/IGBT
向日葵视频色版下载软件安装
- 整流向日葵视频色版下载软件安装
- 开关向日葵视频色版下载软件安装
- TVS向日葵视频色版下载软件安装
- 肖特基向日葵视频色版下载软件安装
- 快速恢复向日葵视频色版下载软件安装
- 整流桥向日葵视频色版下载软件安装
三极管
推荐产品
联系向日葵视频下载安卓网站进入下载官网
深圳市向日葵视频下载安卓网站进入下载官网电子科技有限公司
电话:0755-23087599
手机:13808858392
邮箱:dunianhua@leweitech.com
地址:深圳市宝安区西乡鹤洲恒丰工业城B11栋5楼东
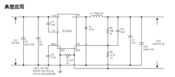
XL7016产品描述:
XL7016 是一款高效、高压降压型DC-DC转换器,固定150KHz开关频率,可提供最高0.5A输出电流能力,低纹波,出色的线性调整率与负载调整率。XL7016内置固定频率振荡器与频率补偿电路,简化了电路设计。PWM 控制环路可以调节占空比从0~100%之间线性变化。
XL7016产品特点:
12V至90V工作电压范围
最大占空比100%
最小压降0.5V
输出电压从1.25V至VIN-2V可调
5V输出时最大0.5A输出电流
15V输出时最大0.3A输出电流
固定150KHz开关频率
最大输出功率小于5W
内置高压功率MOSFET
效率高达85%
出色的线性与负载调整率
内置限流功能
内置输出短路保护功能
SOP8-EP封装
典型应用图

阿里巴巴店铺
关注向日葵视频下载安卓网站进入下载官网
收藏向日葵视频下载安卓网站进入下载官网










