全部产品分类
集成电路IC
场效应管/MOS/IGBT
向日葵视频色版下载软件安装
- 整流向日葵视频色版下载软件安装
- 开关向日葵视频色版下载软件安装
- TVS向日葵视频色版下载软件安装
- 肖特基向日葵视频色版下载软件安装
- 快速恢复向日葵视频色版下载软件安装
- 整流桥向日葵视频色版下载软件安装
三极管
推荐产品
联系向日葵视频下载安卓网站进入下载官网
深圳市向日葵视频下载安卓网站进入下载官网电子科技有限公司
电话:0755-23087599
手机:13808858392
邮箱:dunianhua@leweitech.com
地址:深圳市宝安区西乡鹤洲恒丰工业城B11栋5楼东
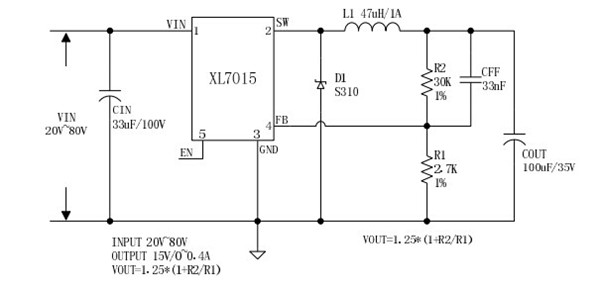
XL7015产品描述:
XL7015 是一款高效、高 压 降压型DC-DC转换器,固定150KHz开关频率,可提供最高0.8A输出电流能力,低纹波,出色的线性调整率与负载调整率。XL7015内置固定频率振荡器与频率补偿电路,简化了电路设计。 PWM控制环路可以调节占空比从0~100%之间线性变化。内置输出过电流保护功能,当输出短路时,开关频率从150KHz降至45KHz。内部补偿模块可以减少外围元器件数量。
XL7015产品特点 :
5V到80V宽输入电压范围
输出电压从1.25V到20V可调
最大占空比100%
最小压降1V
固定150KHz开关频率
最大0.8A开关电流
推荐输出功率小于7W
内置高压功率三极管
效率高达85%
出色的线性与负载调整率
EN脚TTL关机功能
内置过热关断护功能
内置限流功能
内置输出短路保护功能
TO252-5L封装
典型应用图

典型应用图

阿里巴巴店铺
关注向日葵视频下载安卓网站进入下载官网
收藏向日葵视频下载安卓网站进入下载官网










