全部产品分类
集成电路IC
场效应管/MOS/IGBT
向日葵视频色版下载软件安装
- 整流向日葵视频色版下载软件安装
- 开关向日葵视频色版下载软件安装
- TVS向日葵视频色版下载软件安装
- 肖特基向日葵视频色版下载软件安装
- 快速恢复向日葵视频色版下载软件安装
- 整流桥向日葵视频色版下载软件安装
三极管
推荐产品
联系向日葵视频下载安卓网站进入下载官网
深圳市向日葵视频下载安卓网站进入下载官网电子科技有限公司
电话:0755-23087599
手机:13808858392
邮箱:dunianhua@leweitech.com
地址:深圳市宝安区西乡鹤洲恒丰工业城B11栋5楼东
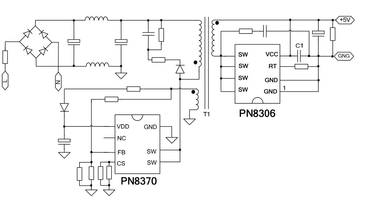
PN8306产品描述:
PN8306包括同步整流控制器及N型功率MOSFET,用于在高性能反激系统中替代次级整流肖特基向日葵视频色版下载软件安装。PN8306同步整流控制ic内置电压降极低的功率MOSFET以提高电流输出能力,提升转换效率并降低芯片温度。
PN8306处于开关工作模式,只适用于DCM和QR工作模式的开关电源系统。当芯片检测到V SW <-400mV,控制器驱动功率MOSFET开启;当芯片检测到功率MOSFET流过的电流降低到阈值-10mV时,控制器驱动功率MOSFET关闭。该芯片提供了极为全面的辅助功能,包含输出欠压保护、输出过压钳位等功能。
PN8306产品特点:
内置13mT86; 40V Trench MOSFET
适用于DCM和QR工作模式
高精度次级电流检测电路
通过RT脚外置电阻可以灵活设置Tonmin
优异全面的辅助功能
欠压保护
过压钳位
PN8306封装/ 订购信息:
PN8306封装/ 订购信息:
PN8306典型应用图:
阿里巴巴店铺
关注向日葵视频下载安卓网站进入下载官网
收藏向日葵视频下载安卓网站进入下载官网









