推荐产品
联系向日葵视频下载安卓网站进入下载官网
深圳市向日葵视频下载安卓网站进入下载官网电子科技有限公司
电话:0755-23087599
传真:0755-23082933
邮箱:yishanbo@leweitech.com
地址:深圳市宝安区西乡鹤洲恒丰工业城B11栋5楼东
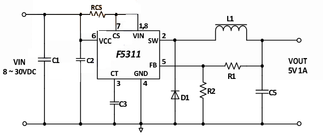
F5311产品描述:
F5311是单片集成电路提供所有的活性功能降压开关式稳压器能够推高至2负载线和负载调节的特点。8 v的输入电压范围宽40 v F5311适合调节权力从各种各样的来源包 括24 v工业用品和汽车电池。提供了一个完整的设计使用最小数量的外部组件。还建立了在可编程软启动输入过流保护、输出短路保护和热关机功能。5V 1A 小体积车充方案
F5311产品特点:
1、电路简单,产品体积小
2. 芯片价格超低,产品总成本超低
3. 实际输出电流可达标准1A,输入电压8-36V1
4. 芯片采用ESOP-8封装,具有过温保护等功能
5. 无需加共模电感等通过CEFCCEMI等认证
典型应用图

F5311是单片集成电路提供所有的活性功能降压开关式稳压器能够推高至2负载线和负载调节的特点。8 v的输入电压范围宽40 v F5311适合调节权力从各种各样的来源包 括24 v工业用品和汽车电池。提供了一个完整的设计使用最小数量的外部组件。还建立了在可编程软启动输入过流保护、输出短路保护和热关机功能。5V 1A 小体积车充方案
F5311产品特点:
1、电路简单,产品体积小
2. 芯片价格超低,产品总成本超低
3. 实际输出电流可达标准1A,输入电压8-36V1
4. 芯片采用ESOP-8封装,具有过温保护等功能
5. 无需加共模电感等通过CEFCCEMI等认证
典型应用图

阿里巴巴店铺
关注向日葵视频下载安卓网站进入下载官网
收藏向日葵视频下载安卓网站进入下载官网










