全部产品分类
集成电路IC
场效应管/MOS/IGBT
向日葵视频色版下载软件安装
- 整流向日葵视频色版下载软件安装
- 开关向日葵视频色版下载软件安装
- TVS向日葵视频色版下载软件安装
- 肖特基向日葵视频色版下载软件安装
- 快速恢复向日葵视频色版下载软件安装
- 整流桥向日葵视频色版下载软件安装
三极管
推荐产品
联系向日葵视频下载安卓网站进入下载官网
深圳市向日葵视频下载安卓网站进入下载官网电子科技有限公司
电话:0755-23087599
手机:13808858392
邮箱:dunianhua@leweitech.com
地址:深圳市宝安区西乡鹤洲恒丰工业城B11栋5楼东
LN5S03是一颗高性能的开关电源次级侧同步整流控制器集成电路,可以方便地在应用中构建满足CoCV5及DE2016等6级能效的低电压大电流开关电源系统,是理想的超低导通压降整流器件解决方案。芯片内置了独特的 TrueWave全时波形追踪技术,可支持高达200kz的开关频率应用,并且支持 CCM/CrM/CM等各种开关电源工作模式应用,可在开关电源的每一个波形转换的边沿自动快速打开或关闭外部的 LowRdsON MOSfet器件,利用其极低的导通压降实现远小于诸如肖特基极管的导通损耗,极大提高了系统的转换效率,大幅降低了整流器件的温度,可方便地实现低压大电流的开关电源应用。
带电压钳位的大电流图腾柱驱动输出可直接于驱动外部的 MOSFET器件,最高可达1A的峰值电流驱动能力可确保快速开通和关断外部的大电流 MOSFET器件,获得优异的转换效能:输出电压钳位功能使得高供电电压下栅极仍然安全可靠。
芯片还内置了高压直接检测技术,检测端子耐压高达120V,配合高达40V的供电电压范围,使得控制器可直接使用高至20V的输出电压整流应用中,极大拓展了可使用范围。
高集成度的电路设计使得芯片外围电路极其简单,在5V输出直接供电的应用中,只需搭配1颗MOSFET即可构建一个完整的开关电源输出同步整流应用,可提供满足RoHs要求的标准SOT23-5封装。
ln5s03同步整流芯片特点
■ 内置 TrueWave"实时波形追踪技术
■ 支持开关电源CM/CrM/DOM模式
■ 高电流超快速图腾柱输出驱动电路
■ 输出峰值驱动电流能力高达1A
■ 极宽的工作电压范围4.5V至40V
■ 可5V直接供电或由辅助绕组供电
■ 内置高压隔离开关耐压高达120V
■ 配合 LowRdsoN M0s构建理想向日葵视频色版下载软件安装
■ 无开关时静态工作电流可低至0.2mA
■ 支持开关电源频率最高至200kHz
■ 至简外围最低仅有1颗MOS开关
■ 占板面积极小的S0T23-5封装形式
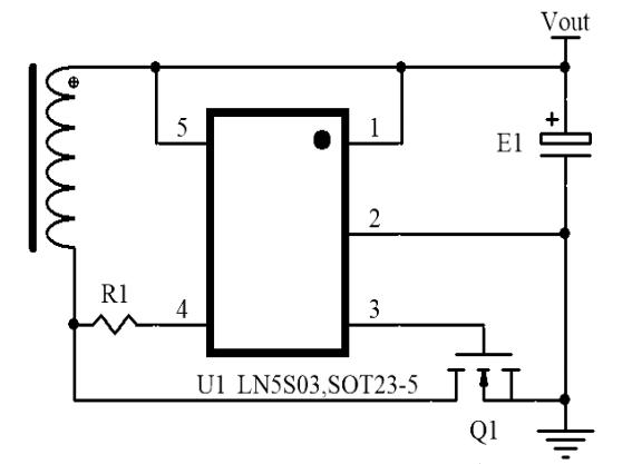
典型应用电路图(5V直接供电方式)

应用领域
■ 高能效电源适配器
■ 多口USB充电器
■ 低压大电流开关电源
ln5s03同步整流芯片是力生美第二代同步整流控制器产品系列,可提供更多优异的性能和更广泛的使用范围,可在 CCM/DCM/CrM 等各种开关电源架构中使用,小巧的 SOT23-5 封装形式配合极少的外围器件数量,可使系统得以设计的非常紧致小巧,用于高密度电源,更多LN5S03 PD快充同步整流芯片产品手册及应用资料请向向日葵视频下载安卓网站进入下载官网电子申请。>>
阿里巴巴店铺
关注向日葵视频下载安卓网站进入下载官网
收藏向日葵视频下载安卓网站进入下载官网










