全部产品分类
集成电路IC
场效应管/MOS/IGBT
向日葵视频色版下载软件安装
- 整流向日葵视频色版下载软件安装
- 开关向日葵视频色版下载软件安装
- TVS向日葵视频色版下载软件安装
- 肖特基向日葵视频色版下载软件安装
- 快速恢复向日葵视频色版下载软件安装
- 整流桥向日葵视频色版下载软件安装
三极管
推荐产品
联系向日葵视频下载安卓网站进入下载官网
深圳市向日葵视频下载安卓网站进入下载官网电子科技有限公司
电话:0755-23087599
手机:13808858392
邮箱:dunianhua@leweitech.com
地址:深圳市宝安区西乡鹤洲恒丰工业城B11栋5楼东
XPD911 100W 多口充协议芯片
所属分类:FM/富满系列
品牌:FM/富满
型号:XPD911系列
封装:QFN32 5*5
功率:65W
电流:5V9V12V15V20V
型号:XPD911系列
封装:QFN32 5*5
功率:65W
电流:5V9V12V15V20V
订购热线:0755-23087599
XPD911是一款同步降压多口互联控制器,采用 QFN32(5*5)封装集成 USB Type-C、USB Power Delivery(PD) 3.1 以及 PPS、QC3.0+/3.0 /2.0 快充协议、华为 FCP/SCP/HVSCP 快充协议、三星 AFC 快充协议、VOOC快充协议、MTK PE 快充协议、BC1.2 DCP 以及苹果设备 2.4A 充电规范的多功能 USB 三端口控制器,为 AC-DC 适配器、智能排插等设备提供完整的 Type-C 和 Type-A 双端口充电解决方案。
XPD911 多口充协议芯片集成了 XPD-linkTM 互联通信专利技术。通过 XPD-linkTM 互联功能,XPD911 可以简单灵活地应用在多个 Type-C 和 Type-A 端口的充电方案中。
XPD911 集成同步开关降压控制器,内置功率 MOS。输出电压范围是 3.3V 到 21V,能提供最大 65W 的输出功率,能够根据识别到的快充协议自动调整输出电压和电流。
XPD911 多口充协议芯片的输出具有 CV/CC 特性,当输出电流小于设定值,输出 CV 模式,输出电压恒定;当输出电流大于设定值,输出 CC 模式,输出电压降低。XPD911 具有线补功能,随着输出电流的增大会相应提高输出电压,用以补偿充电线缆内阻引起的电压下降。
XPD911 是前端电源光耦精确调压,支持 1C1A,当 Type-C 和 Type-A 其中一个端口接入设备时,Type-C 或 Type-A 端口都可以实现独立的快充功能。当 Type-C 和 Type-A都接入设备时,XPD911 的 Type-A 和 TYPE-C 会将输出电压降至 5V 给设备供电。特别的,当 Type-A 或者 Typec 口一直连接苹果充电线但未接入苹果手机时,其他口仍然有快充功能。作为充电器应用时,充电线会经常与充电器连接在一起。XPD911 完美解决了 Type-A 和 Type-C 口连接充电线应用时的快充难题。
XPD911NA/XPD911NC/XPD911AA 都是后端 DCDC 精确调压,XPD911NA 支持1C1A,XPD911NC 支持 2C,XPD911AA 支持 2A,且都能实现互联功能,为多口应用提供比较简洁的应用方案;当任意一个端口接入设备时,都可以实现独立的快充功能;当两个口都接入设备时,输出电压降至 5V 给设备供电。特别的,当 Type-A 或者 Type- C 口一直连接苹果充电线但未接入苹果手机时,其他口仍然有快充功能。作为充电器应用时,充电线会经常与充电器连接在一起,XPD911NA/XPD911NC/XPD911AA 完美解决了输出口连接充电线应用时的快充难题。
XPD911多口充协议芯片具备非常高的可靠性。具有多种保护功能:输入过压、欠压保护,输出过流、过压、欠压、短路打嗝保护等,支持二次烧录,可实现在线升级。
XPD911 多口充协议芯片特性
■ 支持 USB Type-A 和 Type-C 多口工作模式
- 独立工作时都有快充
- 多口工作时,都输出 5V
- A 口或 C 口连接苹果充电线但未接入苹果手机时,其他口仍然有快充
■ 集成同步开关降压转换器
- 单口工作在直通模式
- 双口工作在 DCDC 模式
- link 互联有效时工作在 DCDC 模式
■ 支持 USB Type-C 协议
■ 定制型号支持两种工作模式
- 输入电压动态调整模式(XPD911)
- 输入电压固定模式(XPD911NA/XPD911NC/XPD911AA)
■ 支持 USB Power Delivery(PD)3.1 以及PPS 协议
- 通过 PD3.1 认证(TID:)
- PDO 可配置:5V,9V,12V,15V, 20V
- 输出功率高至 65W
- APDO 可配置:5V Prog,9V Prog,15V Prog,20V Prog
■ 支持 Quick Charge 3.0+/3.0/2.0 协议
- 支持小米 CHARGE TURBO 27W 协议
■ 支持华为 FCP/SCP/HVSCP 协议
■ 支持三星 AFC 协议
■ 支持 VOOC 协议
■ 支持 MTK PE 协议
■ 支持 USB BC1.2 DCP
■ 支持 Apple 2.4A 充电规范
■ 集成 CC、CV 控制环路
■ 支持在线升级功能
■ 支持线损补偿功能
■ 支持任意小电流设备
■ 多重保护、高可靠性
- 输入过压、欠压保护
- 输出过压、过流保护
- 短路保护
- 过温保护
- NTC
- 全引脚 ESD 4KV
■ QFN32 5*5 封装
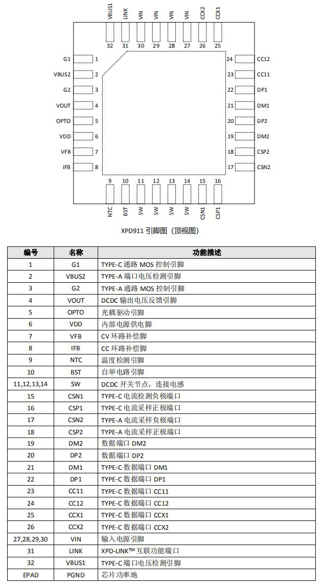
XPD911芯片引脚定义

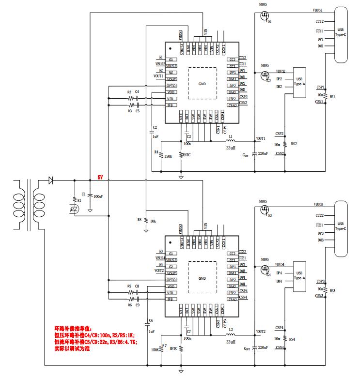
应用电路图
注:输入电压动态调整模式 XPD911(通过光耦调节 ACDC 输出)

XPD911 互联应用简图
应用领域
■ ACDC 适配器
■ 车充应用
■ 智能排插
■ USB 多口充电设备
XPD911芯片系列订购信息
| 料号 | PDO 配置和 APDO 配置 | QC 配置 | 封装 |
| 输入电压动态调整型号 | |||
|
XPD911DP6545T |
C 口高功率 PDO:5V/3A,9V/3A,12V/3A,15V/3A,20V/3.25A APDO1:3.3-11V/3A;APDO2:3.3-21V/3A C 口低功率 PDO:5V/3A,9V/3A,12V/3A,15V/3A,20V/2.25A APDO1:3.3-11V/3A;APDO2:3.3-21V/2.25A |
Class B |
QFN32 |
|
XPD911DP6520T |
C 口高功率 PDO:5V/3A,9V/3A,12V/3A,15V/3A,20V/3.25A APDO1:3.3-11V/3A;APDO2:3.3-21V/3A C 口低功率 PDO:5V/3A,9V/2.22A,12V/1.67A APDO1:3.3-11V/2A |
Class B |
|
|
XPD911DP6530T |
C 口高功率 PDO:5V/3A, 9V/3A,12V/3A,15V/3A,20V/2.25A APDO1:3.3-11V/3A;APDO2:3.3-16V/2.8A C 口低功率 PDO: 5V/3A,9V/3A,12V/2.5A,15V/2A,20V/1.5A APDO1:3.3-11V/3A;APDO2:3.3-16V/2A |
Class B |
|
| 输入电压固定型号 | |||
|
XPD911NADP6545T |
C 口高功率 PDO:5V/3A, 9V/3A,12V/3A,15V/3A,20V/3.25A APDO1:3.3-11V/3A;APDO2:3.3-21V/3A C 口低功率 PDO:5V/3A,9V/2.22A,12V/1.67A APDO1:3.3-11V/2A |
Class B |
QFN32 |
|
XPD911NADP6520T |
C 口高功率 PDO:5V/3A, 9V/3A,12V/3A,15V/3A,20V/3.25A APDO1:3.3-11V/3A;APDO2:3.3-21V/3A C 口低功率 PDO:5V/3A,9V/3A,12V/3A,15V/3A,20V/2.25A APDO1:3.3-11V/3A;APDO2:3.3-21V/2.25A |
Class B |
|
|
XPD911NCDP6545T |
单 C1/C2 高功率 PDO:5V/3A, 9V/3A,12V/3A,15V/3A,20V/3.25A APDO1:3.3-11V/3A;APDO2:3.3-21V/3A C1/C2 低功率 PDO:5V/3A,9V/3A,12V/3A,15V/3A,20V/2.25A APDO1:3.3-11V/3A;APDO2:3.3-21V/2.25A |
Class B |
|
| 所有型号都能自定义 | |||
XPD911多口充协议芯片系列用于100W和100W以内多口互联市场,输入电压有动态调整模式、固定模式 (XPD911NC/XPD911NA/XPD911AA)等类型,XPD911NA 典型应用于互联 2C2A,XPD911NC 与 XPD911NA应用于互联 3C1A、内置多种快充协议,支持多口应用智能降低输出功率,内置完善的保护功能,适用于车充和快充以及插排应用等领域,更多XPD911芯片系列规格书及相关应用资料请向向日葵视频下载安卓网站进入下载官网申请。>>
阿里巴巴店铺
关注向日葵视频下载安卓网站进入下载官网
收藏向日葵视频下载安卓网站进入下载官网










