全部产品分类
集成电路IC
场效应管/MOS/IGBT
向日葵视频色版下载软件安装
- 整流向日葵视频色版下载软件安装
- 开关向日葵视频色版下载软件安装
- TVS向日葵视频色版下载软件安装
- 肖特基向日葵视频色版下载软件安装
- 快速恢复向日葵视频色版下载软件安装
- 整流桥向日葵视频色版下载软件安装
三极管
推荐产品
联系向日葵视频下载安卓网站进入下载官网
深圳市向日葵视频下载安卓网站进入下载官网电子科技有限公司
电话:0755-23087599
手机:13808858392
邮箱:dunianhua@leweitech.com
地址:深圳市宝安区西乡鹤洲恒丰工业城B11栋5楼东
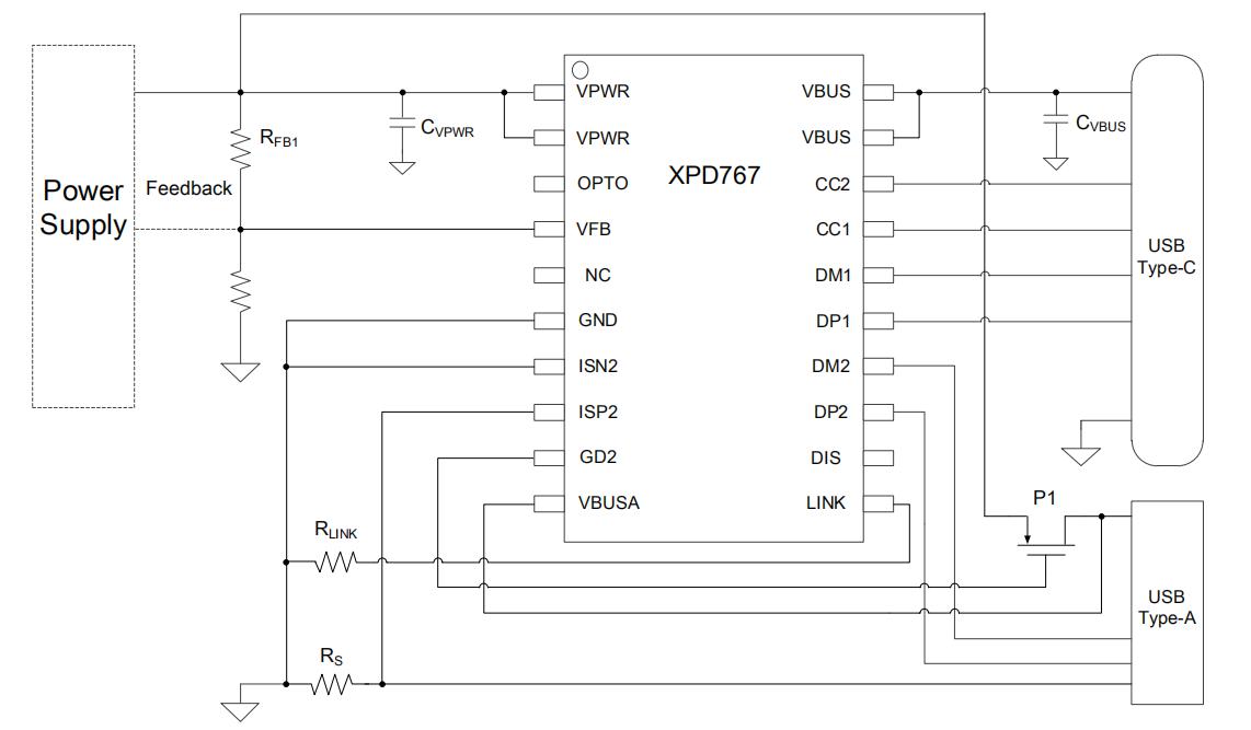
XPD767 A+C 65W协议芯片支持XPD-LINK™互联
所属分类:FM/富满系列
品牌:FM/富满
型号:XPD767系列
封装:TSSOP-20/QFN20
功率:65W
电流:5V,9V,12V,15V,20V
型号:XPD767系列
封装:TSSOP-20/QFN20
功率:65W
电流:5V,9V,12V,15V,20V
订购热线:0755-23087599
XPD767芯片已经通过了USB PD3.0认证,TID:3479。支持QC2.0/3.0/3.0+、AFC、FCP、SCP、HVSCP、PD和PPS等快充协议,内部集成 10mΩ VBUS 通路功率开关管,并且集成10mΩ电流检测电阻,支持完善的保护功能,节省外围元件数量,简化电路,降低成本。
XPD767 是一款集成 USB Type-C、USB Power Delivery(PD) 3.0/2.0 以及 PPS、QC3.0/2.0CLASS B 快充协议、华为 FCP/SCP 快充协议、三星 AFC 快充协议、BC1.2 DCP 以及苹果设备 2.4A 充电规范的多功能 USB 双端口控制器,为 AC-DC 适配器、移动电源、车载充电器等设备提供完整的 Type-C 和 Type-A 双端口充电解决方案。
XPD767 特别的集成了 XPD-LINK™互联通信专利技术。通过 XPD-LINK™互联功能,XPD767 可以简单灵活的应用在多个 Type-C 和 Type-A 端口的充电方案中。
XPD767 内置的 TYPE-C 协议可以支持 TYPE-C 设备插入自动唤醒系统,智能识别插头的正插与反插,并实现连接。集成的 TYPE-C PD3.0 协议支持双向标记编码(BMC),集成硬件的物理层协议和协议引擎,无需软件参与编解码。
当 Type-C 和 Type-A 其中一个端口接入备时,Type-C 或 Type-A 端口都可以实现独立的快充功能。当 Type-C 和 Type-A 都接入设备时,XPD767 会将输出电压降至 5V 给设备供电。特别的,当 Type-A 口一直连接苹果充电线但未接入苹果手机时,Type-C 口仍然有快充功能。作为充电器应用时,充电线会经常与充电器连接在一起。XPD767 完美解决了 Type-A 和 Type-C 口连接充电线应用时的快充难题。此外,Type-A 口充饱关断电流阈值低至 10mA,可支持智能穿戴设备小电流充电。
XPD767 通过一路可 Sink/Source 的电流源,连接到 AC-DC 或 DC-DC 的反馈引脚实现动态调节电压的功能,不管是启动还是调压过程,都具备软启动/调压功能,实现电压平顺过渡。
XPD767 内建多种保护机制确保设备安全:包括动态过压/欠压/过流保护(可根据设备请求的工作电压/电流按照比例调整保护点);启动监测(VBUS 输出前会监测端口电压是否处于安全状态)。
XPD767 集成 10mΩ VBUS 通路功率开关管和内部放电通路,节省了外围器件,在发生错误时可以快速关闭输出并恢复到安全状态。
XPD767 采用 TSSOP-20 和 QFN4x4-20 封装。应用中外围电路非常简洁,可以轻松通过 USB PD 认证测试。
XPD767芯片特性
■ 通过 USB PD3.0 认证(TID:3479)
■ 支持 XPD-LINKTM多芯片互联通信技术
■ 支持 USB Type-C 协议
■ 支持 USB Power Delivery(PD)3.0 以及PPS 协议
- PDO 可配置:5V,9V,12V,15V,20V
- 输出功率高至 65W
- APDO 可配置:5V Prog,9V Prog,15VProg,20V Prog
■ 支持 Quick Charge 2.0/3.0/3.0+协议
- 支持小米 CHARGE TURBO 27W 协议
■ 支持华为 FCP/SCP/HVSCP 协议
- 支持华为 10V 高压 SCP 协议
■ 支持三星 AFC 协议
■ 支持 USB BC1.2 DCP
■ 支持 Apple 2.4A 充电规范
■ 集成恒压(CV)补偿环路
■ 集成 10mΩ VBUS 通路功率开关管
■ 集成 10mΩ电流检测电阻
■ 内置 VPWR 和 VBUS 双放电通路
■ 支持线损补偿功能
■ 支持 USB Type-A 和 Type-C 双口工作模式
-独立工作都有快充,同时工作回 5V
- A 口连接苹果充电线但未接入苹果手机时,C 口仍然有快充
■ A 口充饱关断电流阈值 10mA,小电流充电
■ 安全性
- A 口采用电源端控制避免短路引发漏电
- 过压/欠压保护
- 过流保护
- 过温保护
■ CC1/CC2/DP1/DM1/DP2/DM2 过压保护
■ ESD 特性±4KV
■ Package:TSSOP-20 和 QFN20
典型应用电路图

应用领域
■ AC-DC 适配器
■ 带 USB 端口排插
■ USB 多口充电设备
XPD767系列订购信息
| 料号 | USB Type-C 端口 PDO 和 APDO 配置 | QC 配置 | 包装 |
| XPD767B18 |
高功率 PDO:5V/3A, 9V/2A, 12V/1.5A 低功率 PDO:5V/3A |
Class A |
TSSOP-20 2.5K/盘 |
|
XPD767BP18 |
高功率 PDO:5V/3A, 9V/2A, 12V/1.5A 高功率 APDO1:3.3-5.9V/3A 高功率 APDO2:3.3-11V/1.65A 低功率 PDO:5V/3A |
Class A |
|
| XPD767A |
高功率 PDO:5V/3A, 9V/2.22A 低功率 PDO:5V/3A |
Class A |
|
| XPD767B |
高功率 PDO:5V/3A, 9V/2.22A, 12V/1.67A 低功率 PDO:5V/3A |
Class A |
|
| XPD767D30A |
高功率 PDO:5V/3A,9V/3A,12V/2.5A,15V/2A,20V/1.5A 低功率 PDO:5V/3A |
Class B |
|
| XPD767D30 |
高功率 PDO:5V/3A,9V/3A,12V/2.5A,15V/2A,20V/1.5A 低功率 PDO:5V/3A, 9V/1.75A |
Class A |
|
|
XPD767DP30 |
高功率 PDO:5V/3A,9V/3A,12V/2.5A,15V/2A,20V/1.5A 高功率 APDO1:3.3-11V/3A 高功率 APDO2:3.3-16V/2A 低功率 PDO:5V/3A, 9V/1.75A |
Class A |
|
| XPD767D45 |
高功率 PDO:5V/3A,9V/3A,12V/3A,15V/3A,20V/2.25A 低功率 PDO:5V/3A, 9V/2.5A, 12V/2A, 15V/1.5A |
Class A |
|
|
XPD767DP45 |
高功率 PDO:5V/3A,9V/3A,12V/3A,15V/3A,20V/2.25A 高功率 APDO1:3.3-11V/3A 高功率 APDO2:3.3-16V/2.8A 低功率 PDO:5V/3A, 9V/2.5A, 12V/2A, 15V/1.5A 低功率 APDO1:3.3-11V/2A 低功率 APDO2:3.3-16V/1.4A |
Class A |
|
| XPD767D60 |
高功率 PDO:5V/3A, 9V/3A, 12V/3A, 15V/3A, 20V/3A 低功率 PDO:5V/3A,9V/3A,12V/2.5A,15V/2A,20V/1.5A |
Class B | |
|
XPD767DP60 |
高功率 PDO:5V/3A, 9V/3A, 12V/3A, 15V/3A, 20V/3A 高功率 APDO1:3.3-16V/3A 高功率 APDO2:3.3-21V/2.85A 低功率 PDO:5V/3A,9V/3A,12V/2.5A,15V/2A,20V/1.5A 低功率 APDO1:3.3-16V/1.9A 低功率 APDO2:3.3-21V/1.4A |
Class B |
|
| XPD767D65 |
高功率 PDO:5V/3A,9V/3A,12V/3A,15V/3A,20V/3.25A 低功率 PDO:5V/3A,9V/3A,12V/2.5A,15V/2A,20V/1.5A |
Class B |
|
|
XPD767DP65 |
高功率 PDO:5V/3A,9V/3A,12V/3A,15V/3A,20V/3.25A 高功率 APDO1:3.3-16V/3.25A 高功率 APDO2:3.3-21V/3A 低功率 PDO:5V/3A,9V/3A,12V/2.5A,15V/2A,20V/1.5A 低功率 APDO1:3.3-16V/2A 低功率 APDO2:3.3-21V/1.5A |
Class B |
|
| XPD767D6545 |
高功率 PDO:5V/3A,9V/3A,12V/3A,15V/3A,20V/3.25A 低功率 PDO:5V/3A,9V/3A,12V/3A,15V/3A,20V/2.25A |
Class B | |
|
XPD767DP6545 |
高功率 PDO:5V/3A,9V/3A,12V/3A,15V/3A,20V/3.25A 高功率 APDO1:3.3-16V/3.25A 高功率 APDO2:3.3-21V/3A 低功率 PDO:5V/3A,9V/3A,12V/3A,15V/3A,20V/2.25A 低功率 APDO1:3.3-16V/2.8A 低功率 APDO2:3.3-21V/2.1A |
Class B |
|
| XPD767D6518 |
高功率 PDO:5V/3A,9V/3A,12V/3A,15V/3A,20V/3.25A 低功率 PDO:5V/3A,9V/2A,12V/1.5A |
Class A | |
| XPD767QXXXXX | 参考相应的 TSSOP20 封装 |
QFN20 4K/盘 |
XPD767 A+C 65W协议芯片采用TSSOP-20和QFN20封装,是支持 XPD-LINK™互联USB双端口控制器,XPD-LINK互联技术让芯片之间通过单线总线传输信息,从而可以简单灵活的组成多USB-C口和多USB-A口的充电方案,更多XPD767芯片系列规格书及相关应用资料请向向日葵视频下载安卓网站进入下载官网申请。>>
阿里巴巴店铺
关注向日葵视频下载安卓网站进入下载官网
收藏向日葵视频下载安卓网站进入下载官网










