全部产品分类
集成电路IC
场效应管/MOS/IGBT
向日葵视频色版下载软件安装
- 整流向日葵视频色版下载软件安装
- 开关向日葵视频色版下载软件安装
- TVS向日葵视频色版下载软件安装
- 肖特基向日葵视频色版下载软件安装
- 快速恢复向日葵视频色版下载软件安装
- 整流桥向日葵视频色版下载软件安装
三极管
推荐产品
联系向日葵视频下载安卓网站进入下载官网
深圳市向日葵视频下载安卓网站进入下载官网电子科技有限公司
电话:0755-23087599
手机:13808858392
邮箱:dunianhua@leweitech.com
地址:深圳市宝安区西乡鹤洲恒丰工业城B11栋5楼东
XPD730 20W A+C 双口PD协议芯片
所属分类:FM/富满系列
品牌:FM/富满
型号:XPD730B、XPD730BP、XPD730BPA
封装:TSSOP16
功率:5V,9V,12V
电流:2.4A
型号:XPD730B、XPD730BP、XPD730BPA
封装:TSSOP16
功率:5V,9V,12V
电流:2.4A
订购热线:0755-23087599
XPD730芯片系列是一款集成 USB Type-C、USB Power Delivery(PD)2.0/3.0 以及 PPS、QC3.0+/QC3.0/QC2.0 快充协议、华为 FCP/SCP/HVSCP 快充协议、三星 AFC 快充协议、BC1.2DCP 以及苹果设备 2.4A 充电规范的多功能 USB Type-C 和 Type-A 双端口控制器。
XPD730双口PD协议芯片内置的 Type-C 协议可以支持 Type-C 设备插入自动唤醒,智能识别插头的正插与反插,并实现连接。XPD730 集成的 PD 协议支持双向标记编码(BMC),集成硬件的物理层协议和协议引擎,无需软件参与编解码。
当 Type-C 和 Type-A 其中一个端口接入设备时,Type-C 或 Type-A 端口都可以实现独立的快充功能。当 Type-C 和 Type-A 都接入设备时,XPD730 会将输出电压降至 5V 给设备供电。特别的,当 Type-A 口一直连接苹果充电线但未接入苹果手机时,Type-C 口仍然有快充功能。作为充电器应用时,充电线会经常与充电器连接在一起。XPD730 完美解决了 Type-A 和 Type-C 口连接充电线应用时的快充难题。此外,Type-A 口充饱关断电流阈值低至 10mA,可支持智能穿戴设备小电流充电。
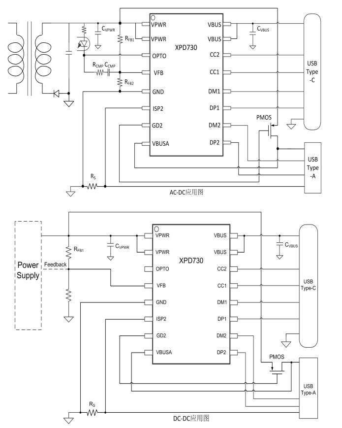
XPD730 A加C双口协议识别芯片通过一路可 Sink/Source 的电流源,连接到 AC-DC 或 DC-DC 的反馈引脚实现动态调节电压。不管是启动还是调压过程,都具备软启动功能,实现电压平顺过渡。
XPD730 双口PD协议芯片内建多种保护机制确保设备安全:包括动态过压/欠压/过流保护(可根据设备请求的工作电压/电流按照比例调整保护点);启动监测(VBUS 输出前会监测端口电压是否处于安全状态)。
XPD730 集成 10mΩ VBUS 功率开关管,集成 10 mΩ电流检测电阻,内置 VPWR 和 VBUS双放电通路,节省了外围器件,发生错误时可以快速关闭输出并恢复到安全状态。
XPD730芯片特性
■ 通过 USB PD3.0 认证(TID:3479)
■ 支持 USB Type -C 协议
- 配置为 DFP(Source)
- 广播 3A/1.5A 电流
■ 支持 USB Power Delivery(PD)2.0 和 3.0以及 PPS 协议
- 集成完整 PD 分层通信协议
- PDO 可配置:5V,9V,12V
- APDO 可配置:5V Prog,9V Prog
■ 支持 Quick Charge 3.0+/3.0/2.0 协议
- 支持小米 CHARGE TURBO 27W 协议
■ 支持华为 FCP/SCP/HVSCP 协议
■ 支持三星 AFC 协议
■ 支持 USB BC1.2 DCP
■ 支持 Apple 2.4A 充电规范
■ 集成恒压(CV)环路控制
■ 集成 10mΩ VBUS 通路功率开关管
■ 支持 Apple 2.4A 充电规范
■ 集成 CC、CV 控制环路
■ 集成 10mΩ电流检测电阻
■ 内置 VPWR 和 VBUS 双放电通路
■ 支持线损补偿功能
■ 支持 USB Type-A 和 Type-C 双口工作模式
- 独立工作都有快充,同时工作回 5V
- A 口连接苹果充电线但未接入苹果手机时,C 口仍然有快充
■ A 口充饱关断电流阈值 10mA,小电流充电
■ 安全性
- 过压/欠压保护
- 过流保护
- 过温保护
■ CC1/CC2/DP1/DM1/DP2/DM2 过压保护
■ ESD 特性± 4KV
■ Package: TSSOP-16
xpd730芯片引脚定义

xpd730应用电路图

订购信息
| 料号 | USB Type-C 端口 PDO 和 APDO 配置 | QC配置 | 印字 | 封装 |
| XPD730B | PDO : 5V/3A, 9V/2.22A, 12V/1.67A | ClassA |
XPD730 XXXXX |
TSSOP16
3K/盘 |
|
XPD730BP
|
PDO : 5V/3A, 9V/2.22A, 12V/1.67A APDO1 : 3.3-5.9V/3A APDO2 : 3.3-11V/1.8A |
ClassA
|
||
|
XPD730BPA
|
PD0:5V/3A,9V/2.22A,12V/1.67A APD01:3.3-5.9V/3A APD02:3.3-11V2A |
ClassA
|
应用领域
■ AC-DC 适配器
■ USB 充电设备
富满XPD730芯片系列XPD730B、XPD730BP、XPD730BPA采用 TSSOP16 封装,外围简洁,很容易通过 USB PD 认证测试,是USB Type-C PD 和 Type-A 双端口控制器,广泛应用于 AC-DC 适配器、USB 充电设备等领域,更多XPD730芯片产品手册、应用电路、xpd730系列规格书等应用资料请向向日葵视频下载安卓网站进入下载官网电子申请。>>
阿里巴巴店铺
关注向日葵视频下载安卓网站进入下载官网
收藏向日葵视频下载安卓网站进入下载官网










