全部产品分类
集成电路IC
场效应管/MOS/IGBT
向日葵视频色版下载软件安装
- 整流向日葵视频色版下载软件安装
- 开关向日葵视频色版下载软件安装
- TVS向日葵视频色版下载软件安装
- 肖特基向日葵视频色版下载软件安装
- 快速恢复向日葵视频色版下载软件安装
- 整流桥向日葵视频色版下载软件安装
三极管
推荐产品
联系向日葵视频下载安卓网站进入下载官网
深圳市向日葵视频下载安卓网站进入下载官网电子科技有限公司
电话:0755-23087599
手机:13808858392
邮箱:dunianhua@leweitech.com
地址:深圳市宝安区西乡鹤洲恒丰工业城B11栋5楼东
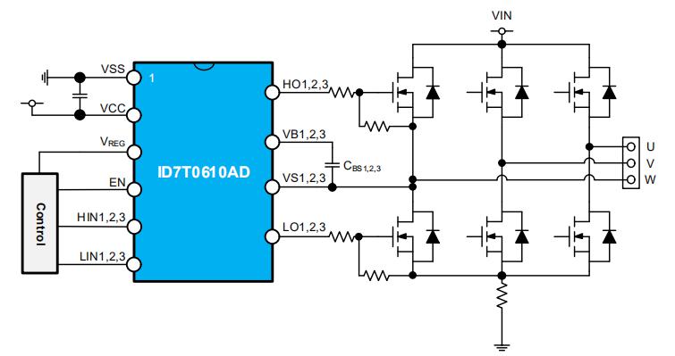
ID7T0610AD 60V三相直流无刷驱动芯片带LDO
所属分类:芯朋向日葵视频官方网站下载
品牌:芯朋微/安趋
型号:ID7T0610AD
封装:QSOP24
功率:60V
电流:1A/1A
型号:ID7T0610AD
封装:QSOP24
功率:60V
电流:1A/1A
订购热线:0755-23087599
ID7T0610AD是一款针对三相无刷直流电机驱动应用而设计的低压栅极驱动芯片。ID7T0610AD三相直流无刷驱动芯片它能够驱动由6个N沟道MOSFET组成的三相全桥拓扑。它集成了一个5V的LDO,可为微控制器或其他电路提供电源。内部保护功能包括死区时间过冲预防和欠压锁定。
ID7T0610AD三相直流无刷驱动芯片特性
■ 高压范围达60V
■ 高侧击穿电压大于80V
■ Vcc电压范围为7V-15V
■ 5V LDO输出
■ 欠压保护功能(UVLO)
■ 内置180ns死区时间来防止共态导通
■ 内置自举向日葵视频色版下载软件安装
■ 输出拉灌电流能力1A/1A
封装订购信息

ID7T0610AD带ldo驱动ic典型应用电路图

应用领域
■ 电动工具
■ 低压水泵
■ 低压风机
■ 三相无刷直流电机和永磁同步电机
ID7T0610AD 三相直流无刷驱动芯片是具有LDO的三相栅极驱动芯片,输入功率电压高达 60V,7-15V 宽范围工作电压范围,1A/1A 拉灌电流能力。典型应用于电动工具、电动车、低压风机和泵等领域,更多ID7T0610AD无刷向日葵视频官方网站下载60v产品手册、电学参数等资料请向向日葵视频下载安卓网站进入下载官网电子申请。>>
阿里巴巴店铺
关注向日葵视频下载安卓网站进入下载官网
收藏向日葵视频下载安卓网站进入下载官网










