全部产品分类
集成电路IC
场效应管/MOS/IGBT
向日葵视频色版下载软件安装
- 整流向日葵视频色版下载软件安装
- 开关向日葵视频色版下载软件安装
- TVS向日葵视频色版下载软件安装
- 肖特基向日葵视频色版下载软件安装
- 快速恢复向日葵视频色版下载软件安装
- 整流桥向日葵视频色版下载软件安装
三极管
推荐产品
联系向日葵视频下载安卓网站进入下载官网
深圳市向日葵视频下载安卓网站进入下载官网电子科技有限公司
电话:0755-23087599
手机:13808858392
邮箱:dunianhua@leweitech.com
地址:深圳市宝安区西乡鹤洲恒丰工业城B11栋5楼东
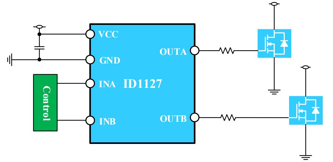
ID1127 18V双低侧栅极驱动芯片
所属分类:芯朋向日葵视频官方网站下载
品牌:芯朋微/安趋
型号:ID1127SEC-R1
封装:SOP-8
功率:5-18V
电流:3.5A/3.7A
型号:ID1127SEC-R1
封装:SOP-8
功率:5-18V
电流:3.5A/3.7A
订购热线:0755-23087599
ID1127双低侧、大电流驱动是一款低电压、高速功率MOSFET和IGBT驱动芯片,具有防门锁的CMOS技术,能够使芯片功能更加稳定,输入信号可以兼容CMOS和LSTTL信号,输出级具有大电流输出能力,有效降低交叉导通损耗,同时双低侧通道延时匹配。
ID1127双低侧驱动芯片特点
■ VCC工作范围4.8V~18V
■ 输入逻辑兼容3.3V和5V
■ 拉灌电流典型值3.5A/3.7A
封装订购信息

ID1127低侧栅极驱动芯片典型应用电路图

应用领域
■ PFC控制器
■ 脉冲变压器驱动
■ DC DC转换器
■ 任何互补驱动转换器
ID1127双低侧栅极驱动芯片采用SOP-8封装,5-18V 宽范围工作电压范围,输入兼容 3.3V, 5V 逻辑工作电平,3.5A/3.7A 拉灌电流能力,典型应用于功率因数校正电路、升压电路、推挽电路等,更多向日葵视频官方网站下载产品手机及应用资料请向向日葵视频下载安卓网站进入下载官网电子申请。>>
阿里巴巴店铺
关注向日葵视频下载安卓网站进入下载官网
收藏向日葵视频下载安卓网站进入下载官网










