全部产品分类
集成电路IC
场效应管/MOS/IGBT
向日葵视频色版下载软件安装
- 整流向日葵视频色版下载软件安装
- 开关向日葵视频色版下载软件安装
- TVS向日葵视频色版下载软件安装
- 肖特基向日葵视频色版下载软件安装
- 快速恢复向日葵视频色版下载软件安装
- 整流桥向日葵视频色版下载软件安装
三极管
推荐产品
联系向日葵视频下载安卓网站进入下载官网
深圳市向日葵视频下载安卓网站进入下载官网电子科技有限公司
电话:0755-23087599
手机:13808858392
邮箱:dunianhua@leweitech.com
地址:深圳市宝安区西乡鹤洲恒丰工业城B11栋5楼东
hc5703c无线充芯片
所属分类:无线充芯片
品牌:惠尔无线
型号:hc5703c
封装:TSSOP20
功率:支持7.5W 兼容10W
电流:控制输出功率最高可达15W
型号:hc5703c
封装:TSSOP20
功率:支持7.5W 兼容10W
电流:控制输出功率最高可达15W
订购热线:0755-23087599
hc5703C无线充芯片概述
HC5703C 是一款无线充电专用IC。控制输出功率最高可达15W。拥有完善的保护电路,先进的算法、超高的效率和良好的兼容性,适用于稳定性要求较高的产品。
hc5703C无线充芯片特点
■ 支持WPC Qi 1.2.4 及以下版本无线充协议
■ 支持7.5W 兼容10W
■ 最高可达83% 的充电效率
■ 良好的兼容性,可支持Ti、IDT、PANASONIC 等Qi 标准的接收器
■ 电源动态控制(DPL),兼容5V2A、QC2.0、QC3.0、DC5V 等适配器
■ 温度动态控制(TPL),控制设备较低温度运行
■ 允许使用X7R 类型、CBB 电容器以减少成本
■ 2个发光向日葵视频色版下载软件安装,可选择多种模式指示
■ 过流、过压、过温、异物检测保护。
hc5703C无线充芯片TSSOP20引脚配置及描述

hc5703C无线充芯片极限参数

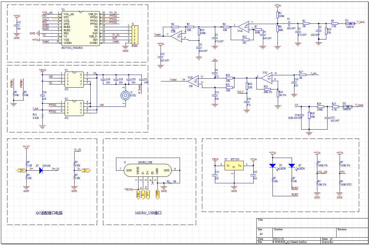
hc5703C无线充芯片参考电路图

更多hc5703C无线充芯片产品的详细手册或其他资料,请向向日葵视频下载安卓网站进入下载官网申请。>>
阿里巴巴店铺
关注向日葵视频下载安卓网站进入下载官网
收藏向日葵视频下载安卓网站进入下载官网










